製品ラインアップ
フラットレールシステム FLS40
-
レール FLS 40

LINOS マイクロベンチのマウントプレートをキャリア FLR 40に取り付けて、光軸高さ40mm(マイクロベンチ マウンティングホルダーと同じ高さ)で光学システムをレール FLS 40上に構築できます。
-
キャリア FLR40

レール FLS 40と組み合わせて使用します。キャリアはスプリング式のつまみでレール上に位置を固定します。
フラットレールシステム FLS65
-
光学レールシステム 65

Excelitas社の光学レールシステムの中でも最新のラインアップです。 光学レールシステム FLS 40と FLS 95のギャップを埋める中間のサイズです。 Excelitas社の光学部品といっしょに使えば直径2インチまでのオプティクスをレール上に配置できます。 システムの光軸の高さは65mmです。 レールの長さは200mm~1500mmから選択できます。
-
光学レールキャリア 65

キャリアの幅は3種類あり、上面に光学マウント設置用のユニバーサルなザグリ穴があります。
スプリング式のクランプでレール上をなめらかに移動し、固定用のつまみで位置を保持します。レールと同じくキャリアの表面はつや消し黒で処理されています。
レール上に配置した時、キャリアの上面はベースから25mmの高さになります。
レールシステム 95
-
X95 プロファイル システム

X95プロファイルシステムは大型の光学システムを構築するための構造材です。光学ベンチ、テーブルやフレーム材として特に適しています。X95プロファイルは中空のアルミ製の円柱で、4方向垂直に立つリッジは構造を補強しキャリアの固定場所になります。プロファイル端面の4つのネジ穴にはコネクターやキャップの固定に使えます。
-
キャリア FLR95

・FLS95レールシステムとX95プロファイルシステムの両方に使用できます。
・黒色アルマイト処理
・バネ式固定機構なし。バックラッシュなし。
・28mmと80mmの幅のものがあります。 -
FLS95 光学レールシステム

FLS95光学レールシステムは低位置の光学ベンチ、特に光学テーブル上のセットアップに最適です。
・低位置光学ベンチ
・器具使用に最適
・レールにスロットがあるためレール位置を簡単に変えられます。 -
キャリア X95

・バネクランプ機構とテフロンコート表面がスムーズな移動を実現します。
・取り扱い簡単
・ポストや同様なデバイスに対して⌀6.6mmの中心穴があります。
・上面にM6ネジ穴(50mm穴パターン) -
キャリアポジショナ X95-30

・X95キャリアの位置決めに使用(移動:20mmまで)
・X95ダブルレッグ G02 6303 000をX95プロファイルにマウントするために使用
・ポスト、または同様なデバイスに対して⌀6.6mmの中心穴
・上面にM6ネジ穴、50mmの穴パターン
・底面でのマウントのためM4ネジ用ザグリ穴、50mmの穴パターン -
X95 クランプキャリア

・X95プロファイルでT字構造を作るための部品
・二つのアンビルクランプ
・95mm幅
・除振台やX95レベリングフットをマウントするための⌀11mmセンタ穴 -
クロスキャリア X95

・ビームステアリングミラーやビームスプリッタなどの2つの光軸の交点でのコンポーネントのマウント
・テフロンコートのガイド面
・アンビルクランプのねじロッキングメカニズム
・スムーズな移動のためのネジクランプ機構 -
キャリア X95-MB

・マイクロベンチマウントを底面から取り付けるための部品
・M4ネジ用のザグリ穴
・20mm間隔穴パターン
・テフロンコートのガイド面
・アンビルクランプのねじロッキングメカニズム -
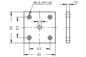
X95 ベースプレート

X95プロファイルを光学テーブル上に垂直にマウントするためのベースプレートです。
・位置決めしやすいスロット穴
・マウントに必要なネジはすべて同梱されます。
・クランプSP4で簡単なクランプ
・色なしアルマイト処理 -
X95 ロッキングキャスタ

移動可能なX95プロファイルシステム構築のために
・静止用脚つきのキャスタ
・ロッキングレバーつき
・耐荷重 2kNまで
・X95コーナーコネクター、またはX95プロファイル端面にマウント -
X95 レベリングフット

・薄層振動アイソレータプレート ⌀100mm、厚さ15mm
・最大 3500N 負荷まで可能
・取り外しのきく合いくぎにより、台のマウントが可能 -
X95 エンドプレート

・X95プロファイルのエンドキャップ
・X95プロファイルを脚(レッグ)にマウントするため、もしくは除振用として
・M6×16 六角穴付きネジを4個含む -
X95 コーナーコネクター

・フレームを組み立てる場合にコーナーで使用するキューブ型カプラ
・X95光学ベンチの端にボルト締めするため⌀6.6mmの穴が 5面にあります。
・残り一面にはX95クランプキャリヤを組み込むための4つのM6ねじ穴があります。
・1000N 負荷まで可能
・M6X16mm ボルト12本とM6X25mm ボルト4本が付属しています。 -
X95 カバープレート

・コーナーコネクターの未使用面のカバーやX95ベンチの開放端の目隠し用
・4本の固定ボルト付属
・黒色アルマイト処理 -
X95 シングルレッグ

・高さ調整可能(約+/-10mm)
・マウントには、別売りのキャリヤ X95-30かキャリヤ X95-50が必要です。 -
X95 ダブルレッグ

・高さ調整可能(約+/-10mm)
・マウントには、別売りのキャリヤ X95-30が必要です。 -
X95 ヒンジ付きコネクター

・X95 プロファイルの角度調整ができます。
・マウントに必要なネジが付属しています。
・+/-90°ピボット

